搜索 for a product

F1429

Differential Input, Single-Ended Output 高 获得 RF Amplifier

联系销售人员

产品详情

0
1
2
0thubnail
1thubnail
2thubnail
  • RF 范围: 1400MHz to 6000MHz
    • F1429LB variants: 1400MHz to 3200MHz
    • F1429MB variants: 3000MHz to 4200MHz
    • F1429HB variants: 4000MHz to 6000MHz
  • 获得 = 18dB at 3600MHz
  • Noise figure = 4dB at 3600MHz
  • OIP3 = +35dBm at 3600MHz
  • Output P1dB = +18dBm at 3600MHz
  • ICC = 70mA at 5V
  • 2mA standby current
  • 50? single-ended 输出阻抗s
  • 100? differential input impedances

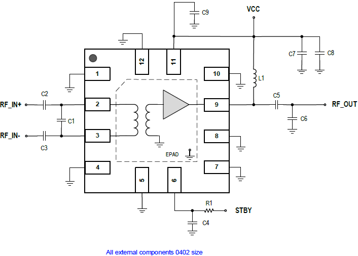
The F1429 family is a series of differential input/single-ended output 1400MHz to 6000MHz 高-获得 RF amplifiers.

The F1429 series is designed to operate with a single 5V power supply using a nominal 70mA of ICC. When using a 电源电压 of 5V, the F1429 variant provides 18dB typical 获得 with 4dB noise figure and +35dBm OIP3 at 3600MHz.

  • 5G/Massive MIMO Base Stations
  • 4G TDD and FDD Base Stations
  • Repeaters and DAS
  • Point-to-Point 基础设施

产品文档

Product Brief

2025-08-25

RF Amplifiers with Zero-Distortion Technology

pdf | 983.8 KB
数据表

2025-08-25

F1429LB 数据表

pdf | 1.95 MB

您还有其他问题吗?

我们致力于帮助您探索各种可能性,优化性能,并推动技术进步。立即联系我们!

与销售人员交谈