搜索 for a product

F2251

Voltage Variable RF Attenuator - 50MHz to 6000MHz

产品详情

0
1
2
0thubnail
1thubnail
2thubnail
  • 频率范围: 50MHz to 6000MHz
  • Low insertion loss: 1.4dB at 2000MHz
  • Typical/Minimum IIP3: 67dBm/47dBm
  • Typical/Minimum IIP2: 105dBm/95dBm
  • 33.6dB attenuation 范围
  • Bidirectional RF ports
  • +34.4dBm input P1dB compression
  • Enhanced phase noise performance
  • Linear-in-dB attenuation characteristic
  • 电源电压: 3.15V to 5.25V
  • VCTRL 范围: 0V to 3.6V using 5V supply
  • +105 °C maximum operating temperature
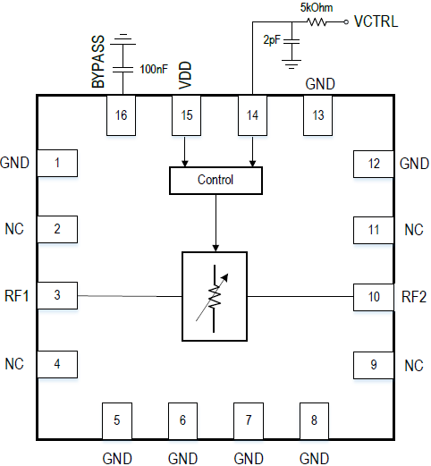
  • 3mm × 3mm 16-VFQFPN 包裹

The F2251 is a low insertion loss Voltage Variable RF Attenuator (VVA) designed for a multitude of wireless and RF 应用s. The device covers a broad 频率范围 from 50MHz to 6000MHz. In addition to providing low insertion loss, the F2251 provides excellent linearity performance over its entire voltage control and attenuation 范围.

The F2251 uses a single positive 电源电压 of 3.15V to 5.25V. 其他 特征 include an enhancement to the phase noise performance of the device compared to its predecessor (F2250). The device also 特征 a positive attenuation slope only.

  • Base stations 2G, 3G, 4G
  • Portable wireless
  • Repeaters and E911 systems
  • Digital pre-distortion
  • Point-to-Point 基础设施
  • Public safety 基础设施
  • WIMAX receivers and transmitters
  • Military systems, JTRS radios
  • RFID handheld and portable readers
  • Cable 基础设施
  • Wireless LAN
  • Test/ATE equipment

产品文档

Product Brief

2025-08-25

Voltage Variable Attenuators

pdf | 395.67 KB
Product Change Notice

2025-08-25

PCN# : TB1912-02(R1) Convert 船运 Media from Tube or Tray to Cut Reel

pdf | 0 Bytes
Product Change Notice

2025-08-25

PCN# : 240014 Add alternate assembly 地点s on 选择 VFQFPN 包裹s

pdf | 519.83 KB

Design & Development (Boards and Kit)

Board Image

Evaluation Board for the F2251 Voltage Variable RF Attenuator

The F2251 Evaluation Board is a fully populated evaluation board specifically designed to evaluate the F2251 Voltage Variable RF Attenuator.??

帮助
Filters
to

部件号 (3)

F2251NLGI

查看 框图
查看 细节

F2251NLGI8

查看 框图
查看 细节

F2251EVB

查看 框图
查看 细节

您还有其他问题吗?

我们致力于帮助您探索各种可能性,优化性能,并推动技术进步。立即联系我们!

与销售人员交谈