搜索 for a product

F2932

高 Reliability SP2T RF Switch

产品详情

0
1
2
0thubnail
1thubnail
2thubnail
  • Dual symmetric broadband, absorptive RF ports
  • 高-performance RF at 2GHz
    • RFC-RFX Isolation of 67dB
    • Insertion Loss of 0.79dB
  • 高 continuous RF CW power handling
    • 选择ed RF path: 34dBm
    • Terminated RF path: 27dBm
  • 高 linearity:
    • IIP2 of 111dBm
    • IIP3 of 64dBm
  • 3.3V and 1.8V compatible control logic
  • Operating temperature of -40 °C to +105 °C
  • Enable feature puts the part in all paths off 状态 and disables the control of VCTL
  • 4mm x 4mm 16-pin QFN 包裹

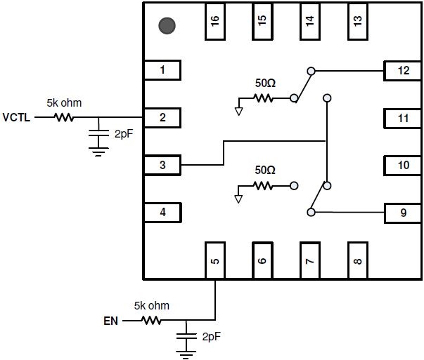
The F2932 is a 高-reliability, low-insertion loss, 50? single-pole double-throw (SP2T) absorptive RF switch designed for a wide 范围 of markets and 应用s. This device covers a broad 频率范围 from 50MHz to 8000MHz, has an operating temperature 范围 of -40 °C to +105 °C, and a wide 电源电压 范围 of 2.7V to 5.5V. Designed for 高-power handling, the F2932 has a P1 dB as 高 as 36.5dBm, 支持ing a peak operating power of 34dBm in the through path and a hot switching power of 27dBm into the terminated RF port. In addition to providing low-insertion loss, the F2932 also delivers 高 isolation and low distortion performance while providing a 50? termination to the unused RF ports.

The F2932 uses a single positive 电源电压 支持ing three logic control pins using either 3.3V or 1.8V control logic. The ENABLE feature puts the part in all paths off 状态 and disables the control of VCTL, when used.

产品文档

Product Brief

2025-08-25

射频开关 Family

pdf | 438.02 KB
Product Change Notice

2025-08-25

PCN# : A1803-02 Correcting MSL level for 选择 Devices

pdf | 170.36 KB
Model - S-parameter

2025-08-25

F2932 De-embedded S-parameters

zip | 410.95 KB
Product Change Notice

2025-08-25

PCN#: TB1902-01 Add Alternate Test 地点 on 选择 Devices

pdf | 359.59 KB
Product Change Notice

2025-08-25

PCN# : 220019 Add Alternate Assembly 地点s on VFQFPN and FCLGA 包裹s

pdf | 0 Bytes
Product Change Notice

2025-08-25

PCN# : 240016 Add JCET| China as an alternate assembly 地点 on 选择 VFQFPN 包裹s

| 44 KB

Design & Development (Boards and Kit)

Board Image

Evaluation Board for 高 Reliability SPDT Absorptive RF Switch

The F2970EVBI is a fully populated, enabling easy RF evaluation of the product. 

“Thru” calibration connectors are conveniently located on the eval board to simplify the calibration process prior to making any RF measurements. The RF through measurement (RF1 to RF2) can be made by 申请ing the correct control logic voltage to the control pins as outlined in the 数据表. DC power, ground and the control voltages are applied to the pin header.

帮助
Filters
to

部件号 (1)

F2932NBGP8

查看 细节

您还有其他问题吗?

我们致力于帮助您探索各种可能性,优化性能,并推动技术进步。立即联系我们!

与销售人员交谈