搜索 for a product

F2971

75ohm SP2T Absorptive RF Switch 5MHz to 3000MHz with RFC Termination

产品详情

0
1
2
0thubnail
1thubnail
2thubnail
  • Single-pole double-throw with absorptive terminations on the isolated port
  • Leading performance RF over 5MHz to 3000 MHz
    • Isolation: 65dB at 1200MHz
    • Insertion loss: 0.45dB at 1200MHz
  • 高 continuous RF CW power handling at 85 °C
    • 选择ed RF path: 27dBm
    • Terminated RF path: 24dBm
  • 高 linearity:
    • IIP2/IIP3: 95dBm/63dBm
    • CSO and CTB: -90dBc
  • Single 2.70V to 3.60V 电源电压
  • 3.3V and 1.8V compatible control logic
  • Operating temperature -40 °C to +105 °C
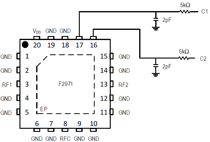
  • 4mm × 4mm 20-LQFN 包裹

The F2971 is a rugged, low insertion loss, 75? SP2T (SPDT) absorptive RF switch designed for a wide 范围 of CATV and broadband RF 应用s. This device covers a broad 频率范围 from 5MHz to 3000MHz. In addition to having excellent linearity and isolation performance, it also provides a 75? termination to the isolated RF port. The F2971 特征 an internally switched termination resistor on the RF common port.

产品文档

Product Brief

2025-08-25

射频开关 Family

pdf | 438.02 KB
Report

2025-08-25

PCN# : 220029 Add Alternate Assembly 地点s on VFQFPN and LGA 包裹s

pdf | 0 Bytes

Design & Development (Boards and Kit)

Board Image

Evaluation Board for 75 Ohm SP2T Absorptive RF Switch

The F2971EVBI is a fully populated evaluation board enabling easy RF evaluation of the F2971 product. 

“Thru” calibration connectors are conveniently located on the evaluation board to simplify the calibration process prior to making any RF measurements. The RF through measurement (RF1 to RF2) can be made by 申请ing the correct control logic voltage to the control pins as outlined in the 数据表. DC power, ground and the control voltages are applied to the pin header.

帮助
Filters
to

部件号 (3)

F2971NCGK

查看 框图
查看 细节

F2971NCGK8

查看 框图
查看 细节

F2971EVBI

查看 框图
查看 细节

您还有其他问题吗?

我们致力于帮助您探索各种可能性,优化性能,并推动技术进步。立即联系我们!

与销售人员交谈