Search for a product

F1478

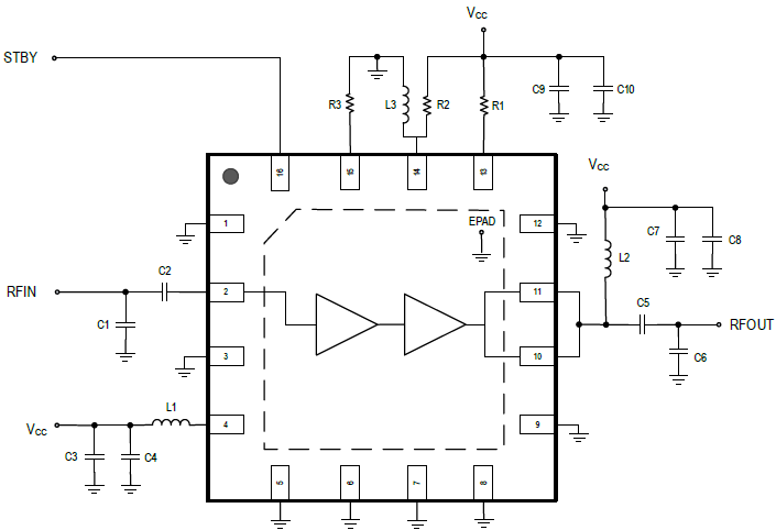
High Gain RF Amplifier

Product Details

0
1
2
0thubnail
1thubnail
2thubnail
  • RF range: 1800MHz to 5000MHz
  • 29.6dB typical gain at 3550MHz (can be optimized vs. bandwidth)
  • 1.8dB NF at 3550MHz
  • Adjustable OIP3 performance
  • +37.3dBm OIP3 at 3550MHz and 140mA of bias current
  • +33.8dBm OIP3 at 3550MHz and 100mA of bias current
  • Adjustable OP1dB Performance
  • +25.5dBm OP1dB at 3550MHz and 140mA of bias current
  • +24.5dBm OP1dB at 3550MHz and 100mA of bias current
  • 5V power supply
  • Adjustable ICC ranging from 80mA to 160mA
  • 50? single-ended input and output impedances
  • 1.8V Logic compatible standby mode for power savings
  • Operating temperature (TEPAD) range: -40 °C to +115 °C
  • 3mm × 3mm 16-VFQFPN package

The F1478 is a high-gain, two-stage RF amplifier designed to operate within the 1800MHz to 5000MHz frequency range. Using a single 5V power supply and with low ICC, the F1478 provides 29.6dB of gain (which can be optimized vs. bandwidth) and 1.8dB of noise figure. The F1478 realizes up to +37.3dBm OIP3 and 25.5dBm OP1dB at 3550MHz. The F1478 is packaged in a 3mm × 3mm, 16-VFQFPN, with matched 50? input and output impedances for ease of integration into the signal path. The silicon integration approach means that external BOM components are minimized for customer applications.

  • 4G/5G cellular base stations
  • Multi-mode, multi-carrier transmitters
  • Active antenna systems

Product Documents

Product Brief

2025-08-25

RF Amplifiers with Zero-Distortion Technology

pdf | 983.8 KB
Product Change Notice

2025-08-25

PCN# : TB1904-05 Add Sigurd Taiwan as alternate test location| F1478

| 44 KB
Product Change Notice

2025-08-25

PCN# : TB1912-02 Convert Shipping Media from Tube or Tray to Cut Reel

pdf | 5.61 MB
Product Change Notice

2025-08-25

PCN# : TB1912-02(R1) Convert Shipping Media from Tube or Tray to Cut Reel

pdf | 0 Bytes
Product Change Notice

2025-08-25

PCN# : PCN200015 Add Carsem as an Alternate Assembly Location

pdf | 0 Bytes
Help
Filters
to

Part Number (6)

F1478NLGA

View Block Diagram
View Details

F1478NLGA8

View Block Diagram
View Details

F1478EVB-2p0

View Block Diagram
View Details

F1478EVB-2p5

View Block Diagram
View Details

F1478EVB-3p5

View Block Diagram
View Details

F1478EVB-4p7

View Block Diagram
View Details

Do you have more questions?

We're here to help you explore possibilities, optimize performance, and drive technological advancements. Reach out today!

Talk to Sales