Search for a product

F2915

High Reliability SP5T RF Switch

Contact sales

Product Details

0
1
2
0thubnail
1thubnail
2thubnail
  • Five symmetric broadband, absorptive RF ports
  • Constant Impedance, Kz, feature
  • High-performance RF
    • Isolation of 50dB at 2700MHz
    • Insertion Loss of 1.2dB at 2700MHz
  • High continuous RF CW power handling
    • Selected RF path: 33dBm
    • Terminated RF path: 27dBm
  • High linearity:
    • IIP2 of 114dBm
    • IIP3 of 60dBm
  • Single 2.7V to 5.50V supply voltage
  • External Negative Supply Option
  • 3.3V and 1.8V compatible control logic
  • Operating temperature -40 °C to +105 °C
  • 4mm x 4mm 24-pin QFN package

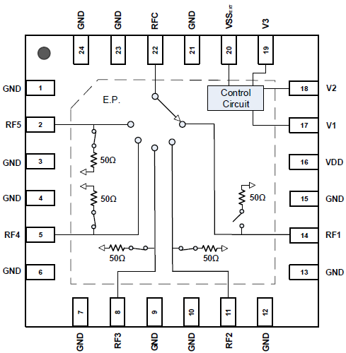
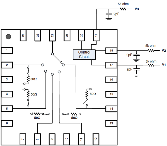
The F2915 is a high reliability, low insertion loss, 50? SP5T absorptive RF switch designed for a wide range of wireless and other RF applications. This device covers a broad frequency range from 50MHz to 8000MHz. In addition to providing low insertion loss, the F2915 also delivers excellent linearity and isolation performance while providing a 50? termination to the unused RF ports. The F2915 also includes a patent-pending constant impedance (Kz) feature. Kz improves hot switching ruggedness, minimizes LO pulling in VCOs, and reduces phase and amplitude variations in distribution networks. It is also ideal for dynamic switching/selection between two or more amplifiers while avoiding damage to upstream/downstream sensitive devices such as PAs and ADCs.

The F2915 uses a single positive supply voltage supporting three logic control pins using either 3.3V or 1.8V control logic. Connecting a negative voltage to pin 20 disables the internal negative voltage generator and becomes the negative supply.

Product Documents

Product Brief

2025-08-25

F2915 Product Brief REVA

pdf | 249.74 KB
Product Brief

2025-08-25

RF Switches Family

pdf | 438.02 KB
Datasheet

2025-08-25

F2915 Datasheet

pdf | 955.91 KB
Product Change Notice

2025-08-25

PCN# : Q1703-01 Die Revision Change| F2915NBGK

| 44 KB
Product Change Notice

2025-08-25

PCN# : A1809-04 Add Alternate Assembly Location for QFN packages

pdf | 36.7 KB
Model - S-parameter

2025-08-25

F2915 S-parameters

zip | 2.45 MB
Model - IBIS

2025-08-25

F2915 IBIS Model

zip | 4.26 KB
Product Change Notice

2025-08-25

PCN# : 210003 Add Alternate Fab Location on Select RFD Devices

pdf | 0 Bytes

Boards and Kits

Board Image

Evaluation Board for High Reliability SP5T Absorptive RF Switch

The F2915EVBI is a fully populated evaluation board which allows the customer to easily evaluate the F2915 RF switch. 

“Thru” calibration connectors are conveniently located on the eval board to simplify the calibration process prior to making any RF measurements. Each RF port (RF1, RF2, RF3, RF4 and RF5) can be connected to RFC by applying the correct control logic voltage to the V1, V2 and V3 control pins as outlined in the F2915 datasheet. The Vssext feature gives the customer the option to supply an external negative voltage to the Vssext header pin to shut down the internal charge pump for low spur operation.

Help
Filters
to

Part Number (2)

F2915NBGK

Request Sample
View Details

F2915NBGK8

Request Sample
View Details

Do you have more questions?

We're here to help you explore possibilities, optimize performance, and drive technological advancements. Reach out today!

Talk to Sales