Search for a product

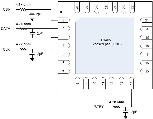
F1455

TX RF VGA with KLIN Feature

Contact sales

Product Details

0
1
2
0thubnail
1thubnail
2thubnail
  • Broadband 1400MHz to 2300MHz
  • 32dB max gain
  • 4dB NF at max gain (2000MHz)
  • KLIN™ amplifier with 6dB gain range
  • DSA: 23.5dB range
  • 29.5dB total gain control range, 0.5dB step
  • < 2dB overshoot between major gain transitions such as 15.5dB to 16dB atten
  • +40dBm OIP3
  • Maintains +23.5dBm output P1dB over first 6dB gain adjustment range
  • SPI interface for DSA control
  • Single 5V supply voltage
  • ICC = 216mA
  • Up to +105 °C TCASE operating temperature
  • 50? input and output impedance
  • Standby for power savings
  • Pin compatible 700MHz and 2700MHz versions
  • 6mm x 6mm, 28-QFN package

The F1455 is a high-gain/high-linearity 1400MHz to 2300MHz TX variable gain amplifier (VGA) used in transmitter applications. The F1455 TX VGA provides 32dB maximum gain with +39dBm OIP3 and 4dB noise figure. Up to 29.5dB gain control is achieved using the combination of a digital step attenuator (DSA) plus KLIN™ RF variable gain amplifier gain adjustment. This device uses a single 5V supply and 216mA of ICC. It is packaged in a 6mm x 6mm, 28-QFN with 50? single-ended RF input and RF output impedances for ease of integration into the signal path.

Product Documents

Guide

2025-08-25

RF Products Evaluation System (EVS) Digital Control Software

pdf | 2.83 MB
Overview

2025-08-25

RF Family of Products

pdf | 1.15 MB
Model - S-parameter

2025-08-25

F1455 S-Parameters

zip | 1.27 MB
Datasheet

2025-08-25

F1455 Datasheet REV1

pdf | 4.76 MB
Product Change Notice

2025-08-25

PCN#A1709-04 Alternate Assembly Location at ASECL on Select Package

pdf | 32.27 KB
Model - IBIS

2025-08-25

IBIS model for F1455

zip | 698 Bytes
Product Change Notice

2025-08-25

PCN# : 210030 Add Carsem| Malaysia as an Alternative Test Location

| 44 KB

Boards and Kits

Board Image

Evaluation Board for F1455 TX VGA

The F1455EVBK is a fully populated evaluation board which allows the customer to easily evaluate the  F1455 TX RF Digital Variable Gain Amplifier. Attenuation is set using SPI.

The F1455EVS is a complete hardware and software solution that allows customers to digitally control the F1455EVBK with the USB output on a computer. The kit includes the F1455EVBK board, as well as a USB Digital Control Board and interface cables. The software, guides , and instructional videos are available for download / viewing on this page.

Help
Filters
to

Part Number (4)

F1455NKGK

Request Sample
View Details

F1455NKGK8

Request Sample
View Details

F1455EVBK

Request Sample
View Details

F1455EVSK

Request Sample
View Details

Do you have more questions?

We're here to help you explore possibilities, optimize performance, and drive technological advancements. Reach out today!

Talk to Sales