Search for a product

F4482

DIFF-In / SE-Out Quad Path TX DVGA - 1300MHz to 2800MHz

Product Details

0
1
2
0thubnail
1thubnail
2thubnail
  • Independent quad channels for FDD TX applications
  • 1300MHz to 2800MHz
  • • 27.5dB typical maximum gain at 2100MHz
    • Precise SPI-controlled Glitch-Free™ gain adjustment
  • 31.5dB gain range with 0.5dB step size
  • 5.7dB NF at 2100MHz
  • +36.8dBm OIP3 at 2100MHz
  • +16.5dBm output P1dB at 2100MHz
  • 3.3V supply voltage
  • ICC = 485mA
  • 100? differential input impedances
  • 50? single-ended output impedances
  • 1.8V and 3.3V logic support
  • Independent channel standby modes for power savings
  • Operating temperature (TEP) range: -40 °C to +115 °C
  • 8mm × 8mm, 56-LGA package

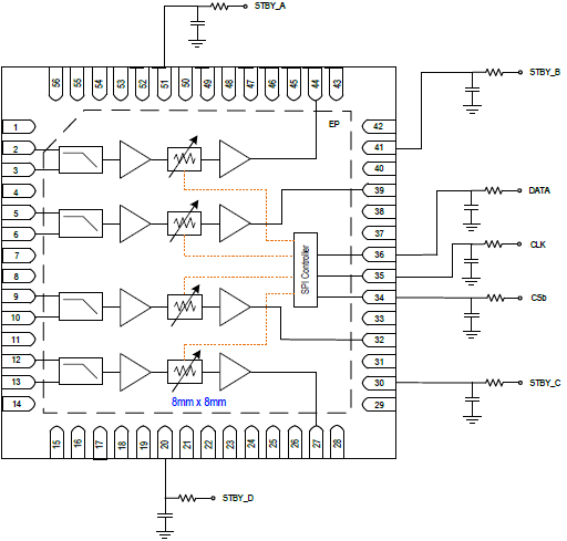
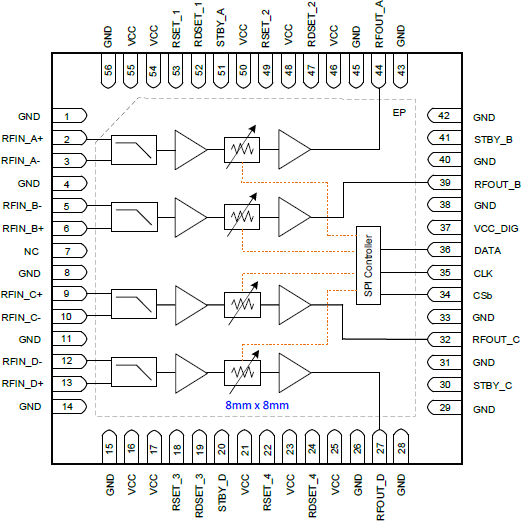
The F4482 is a 1300MHz to 2800MHz quad path TX Digital Variable Gain Amplifier (DVGA) outfitted with 100? differential inputs and 50? single-ended outputs. The device is part of a complete family of VGAs targeting FDD and TDD applications within the 400MHz to 4200MHz frequency range.

Using a single 3.3V power supply and only 485mA of ICC, the F4482 provides four independent transmit paths, each with 27.5dB typical maximum gain, +36.8dBm OIP3, +16.5dBm output P1dB, and 5.7dB NF. Each channel includes a glitch-free digital step attenuator that reduces gain by up to 31.5dB in precise 0.5dB steps.

The F4482 is packaged in an 8mm × 8mm 56-LGA, with matched 100? differential input and 50? single-ended output impedances for ease of integration into the signal path.

  • 4G and 5G multi-mode, multi-carrier transmitters
  • LTE and UMTS/WCDMA base stations
  • Active antenna systems
  • Digital radio

Product Documents

Guide

2025-08-25

RF Products Evaluation System (EVS) Digital Control Software

pdf | 2.83 MB
Product Brief

2025-08-25

Macro BTS Product Overview

pdf | 0 Bytes
Help
Filters
to

Part Number (4)

F4482LKGI

View Block Diagram
View Details

F4482LKGI8

View Block Diagram
View Details

F4482EVS-1P5

View Block Diagram
View Details

F4482EVS-2P1

View Block Diagram
View Details

Do you have more questions?

We're here to help you explore possibilities, optimize performance, and drive technological advancements. Reach out today!

Talk to Sales