Search for a product

F1475

1W High Linearity RF Amplifier 700MHz to 2800MHz

Product Details

0
1
2
0thubnail
1thubnail
2thubnail
  • Frequency range: 700MHz to 2800MHz
  • 18.5dB typical gain at 2000MHz
  • +30dBm typical OP1dB at 2000MHz
  • 50? Single-ended input and output impedances
  • 5V power supply
  • 225mA typical quiescent supply current
  • 1.8V logic compatible standby mode for power savings
  • Operating temperature (TEPAD) range: -40°C to +115°C
  • 4 × 4 mm 20-VFQFPN package

The F1475 is a high linearity RF Driver Amplifier designed to operate within the 700MHz to 2800MHz frequency range. Using a single 5V power supply, the F1475 provides 18.5dB typical gain and 30dBm typical OP1dB with a low quiescent current consumption of 225mA.

The F1475 is packaged in a 4 × 4 mm, 20-VFQFPN package, with matched 50? input and output impedances for ease of integration into the signal path.

Product Documents

Product Brief

2025-08-25

RF Amplifiers with Zero-Distortion Technology

pdf | 983.8 KB
PDF

2025-08-25

F1475 Datasheet

pdf | 3.44 MB

Boards and Kits

Board Image

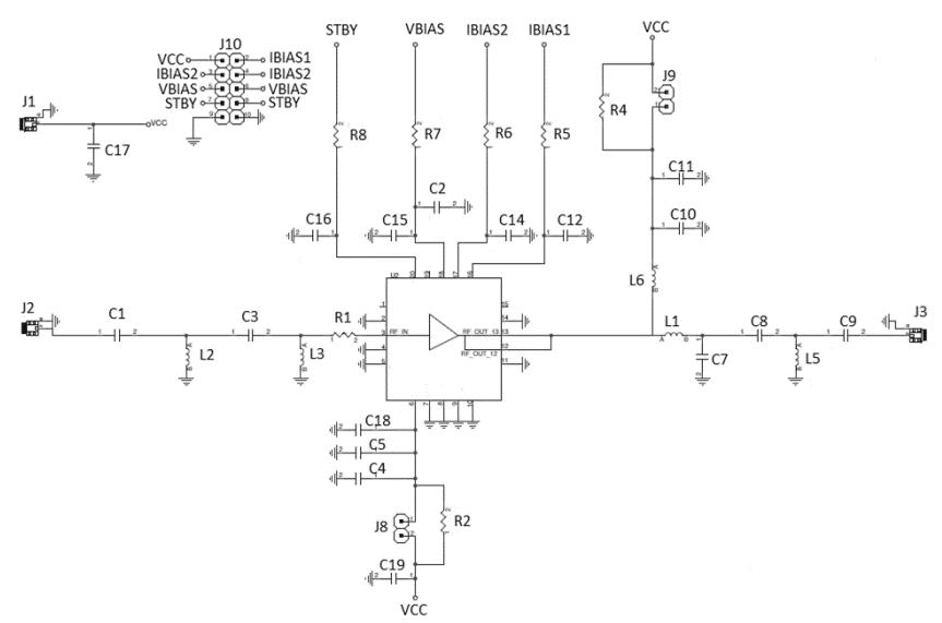
F1475 High Linearity RF Amplifier 700MHz to 900MHz Evaluation Board

F1475EVB-0P8 is a fully populated evaluation board designed for the evaluation of the F1475 high linearity RF Driver Amplifier, which is specifically tuned for the 700MHz to 900MHz frequency range.

F1475 is an RF Driver Amplifier operating at 700MHz to 2800MHz. It offers 18.5dB gain and 30dBm OP1dB with a 225mA current consumption at 2000MHz. Using a 5V power supply, it comes in a 20-VFQFPN package with matched 50? input and output.

Help
Filters
to

Part Number (5)

RA81F1475SEGNK#BB0

Request Sample
View Details

RA81F1475SEGNK#HB0

Request Sample
View Details

RTKA81F14750P800RU

Request Sample
View Details

RTKA81F14752P000RU

Request Sample
View Details

RTKA81F14752P500RU

Request Sample
View Details

Do you have more questions?

We're here to help you explore possibilities, optimize performance, and drive technological advancements. Reach out today!

Talk to Sales